Baidu
AC米兰华体会链接下载
分享到:
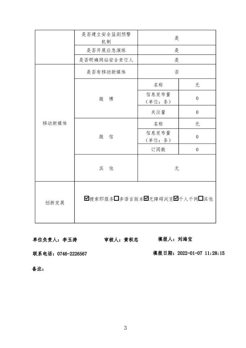
华体会登陆网站2021年政府网站工作年度报表
  • 2022-01-07 11:13
  • 来源: 华体会登陆网站行政审批服务局
  • 发布机构:hth最新登录入口
  • 作者:
  • 【字体:    



扫一扫在手机打开当前页

设为首页 | 加入收藏 | dnf华体会 | app下载华体会 | AG官方华体会 |邮箱:lsjjxxzx@126.com
主办:hth最新登录入口办公室    承办:华体会登陆网站数据局(华体会登陆网站行政审批服务局)    联系电话:0746-2226151
备案号:湘ICP备05012207号  网站标识码:4311270010   湘公网安备 43112702000005号

  • 湖南省政府网
  • 蓝山政务
  • 承办:华体会登陆网站行政审批服务局  技术支持:开普云
    Baidu
    AC米兰华体会链接下载